Instalatii electrice de bord
Majoritatea motoarelor electrice de acționare a mecanismelor navale sunt de tipul:
Cu rotorul în scurtcircuit cu colivie normalã;
Cu rotorul bobinat;
 cu bare înalte;
Cu colivii multiple.
Rețelele electrice navale sunt de tipul:
Cu neutrul conectat la corpul navei;
Cu neutrul conectat la corpul navei printr-o impedanțã de valoare mare;
 cu neutrul conectat la centura de împãmântare;
Cu neutrul izolat.
Care dintreurmãtorii consumatori este considerat neesențial:
Instalația de iluminat de navigație;
 instalația de iluminat cabine;
Instalația de guvernare;
Instalația de semnalizãri motor principal.
Care dintre urmãtoarele tipuri de rețea este preferatã la navele comerciale :
Cu linii magistrale;
în buclã;
Mixtã;
Radialã.
 Care dintre urmãtorii consumatori de c.c.  Se vor gãsi pe navele cu sisteme de serviciu în c.a:
 iluminatul general;
 încãlzirea cabinelor;	
Iluminatul de urgențã;
Bucãtãria.
Care este tensiunea maximã de alimentarepentru lãmpi portabile în locuri foarte periculoase:
12 V;
48 V;
36 V;
220 V.
Care sunt sistemele de distribuție a energiei electrice la nave în cazul folosirii c.a.:
Sistemul de distribuție unipolar;
Sistemul de distribuție bipolar;
 sistemul de distribuție cu 4 conductoare;
Sistemul de distribuție cu 3 conductoare izolate.
 Ce este o rețea cu fider unic:
Un sistem de distribuție care utilizeazã o coloanã unicã ce deservește toți consumatorii;
 un sistem de distribuție de tip bipolar;
Un sistem de distribuție cu un pol la corpul navei și unul la consumatori;
Un sistem de distribuție de tip tetrapolar.
Ce este o rețea cu fider unic:
Este un sistem de distribuție radial ;
Este un sistem de distribuție care prezintã dezavantajul cã acei consumatori situați dincolo de locul unei defecțiuni nu mai pot fi alimentați;
Este un sistem buclat;
Este un sistem cu o singurã centralã electricã navalã.
Modificarea în trepte a turației unui motor asincron, la o încãrcare datã se face prin:
Modificarea tensiunii de alimentare cu ajutorul unui autotransformator;
Prin introducerea unor rezistente de reglare în circuitul rotoric;
Prin schimbarea numãrului de poli ai înfãșurãrii statorice;
Prin modificarea frecvenței tensiunii de alimentare
Majoritatea motoarelor asincrone de acționare a mecanismelor navale se pornesc prin metoda:
 stea-triunghi;	
Cu autotransformator de pornire;	
Cu reostat de pornire;
 cuplare directã.
În cazul mecanismelor de încãrcare-descãrcare, la trecerea de pe o treaptã de vitezã superioarã pe una inferioarã, mașina asincronã trece în regim de :
Frânare cu recuperare de energie;
Frânare dinamicã;
Frânare electromagneticã;
Frânare subsincronã.
Pornirea stea-triunghi se caracterizeaza prin:
0%
0
0%
0
0%
0
0%
0
Pornirea stea-triunghi se utilizeaza în cadrul motoarelor asincrone:
U rotor în scurtcircuit a cãror tensiune nominalã pe fazã este egalã cu tensiunea de linie a rețelei de alimentare;
Cu rotor bobinat;
 cu rotor în scurtcircuit care au scoase 3 borne la cutia de borne statoricã;
Cu rotor în scurtcircuit cu înfașurare statoricã de tip D’Ahlander.
Frânarea dinamicã a mașinii asincrone se realizeazã prin:
 introducerea unor rezistențe în serie cu rotorul;
 inversarea sensului de rotație al rotorului;
Schimbarea a 2 faze statorice între ele;
 întreruperea alimentãrii în c.a. și alimentarea în c.c.  A cel putin 2 faze statorice.
Frânarea în contracurent se poate face prin:
Trecerea de la conexiunea Y la YY;
 trecerea de la Δ conexiunea la YY
Prin alimentarea în c.c. a înfãșurãrii statorice;
Prin inversarea sensului de succesiune a fazelor statorice menținînd neschimbat sensul de rotație al rotorului.
Puterea nominalã a unui motor asincron este:
Puterea electricãabsorbitã de la rețea;
 puterea mecanicã datã la arbore;
Puterea radiatã;
Puterea disipatã prin efect caloric.
Câmpul magnetic învîrtitor al mașinii asincrone se rotește cu viteza:
0%
0
0%
0
0%
0
0%
0
Puterea nominalã a unui generator sincron este:
Putere electricã;
 putere mecanicã;	
 putere radiatã;
Putere disipatã prin efect caloric.
 Expresia t.e.m. induse într-o fazã a înfãșurãrii statorice la un generator sincron este de forma:
0%
0
0%
0
0%
0
0%
0

Care etse scopul grupãrii în paralel a acumulatoarelor ca în figura 1 de mai jos :
Curentul debitat va fi I= Ebat : (Ribat+Re);
Gruparea elementelor în paralel este folositã când tensiunea necesarã consumatorului este mai mare decât t.e.m.a unui acumulator, iar curentul necesar consumatorului are o valoare ce nu depãșește curentul de descãrcare a acumulatorului;
Capacitatea bateriei de acumulatoare legate în paralel este egalã cu cea a unui singur acumulator Qbat = Q1;
Tensiunea bateriei de acumulatoare este Ubat = n*U1 .

Care este scopul conectãrii în serie a acumulatoarelor, ca în figura 2:
   Ebat = E1 = E2 = ….En;
Se utilizeazã atunci când tensiunea necesarã consumatorului este egalã cu t.e.m.  A acumulatoarelor, iar curentul necesar consumatorului este mai mare decât curentul de descãrcare a unui acumulator;
Ebat = E1 + E2 + …. +En, iar rezistența interioarã a bateriei de acumulatoare este egalã cu suma rezistențelor interioare ale fiecãrui acumulator Ri bat = R1 + R2 + …. Rn;
Ibat = I1 + I2 + …. + In.

Care este scopul conectãrii în serie a acumulatoarelor, ca în figura 2 :
Dacã bateria se conecteazã la o rezistenþã exterioarã Re (consumator) curentul în circuit se va determina cu formula I = Ebat : (Ribat + Re);
 tensiunea electromotoare (t.e.m.) a grupului este egalã cu t.e.m.  A unui acumulator Ebat = E1= E2 = ….= En;
 capacitatea bateriei este egalã cu suma capacitãților acumulatoarelor Qbat =Q1+Q2 + … +Qn;
Ibat = I1 + I2 + ….+ In.
 Reacția indusului generatorului sincron având ca sarcinã o bobinã idealã are caracter :
Longitudinal magnetizant;
Transversal;
 longitudinal demagnetizant;
Mixt.
Reacția indusului generatorului sincron având ca sarcinã un condensator ideal are caracter :
Longitudinal magnetizant;
Longitudinal demagnetizata;
 mixt;
Transversal.
 Care este tensiunea nominalã a unui element de acumulator acid cu plumb :
1,5 V
2 V;
2,5 V;
 1,2 V.
Viteza de rotație “n” a motorului sincron trifazat alimentat de la o rețea de frecvențã constantã:
Depinde liniar de sarcina;
Depinde patratic de sarcina;
Depinde sinusoidal de sarcina;
Nu depinde de sarcinã.
Care este tensiunea nominalã a un ui acumulator alcalin Fe –Ni :
1,5V;
1,2 V;
2 V;
2,4V.
Ce mãsura se ia pentru eliminarea supratensiunilor ce pot apãrea când un transformator de curent are secundarul în gol:
Se scurtcircuiteazã bornele primarului;
Se crește izolația secundarului;
Se scurtcircuiteazã bornele secundarului;
Se lasã secundarul .în gol.
Cum se rãcesc transformatoarele de puteri nominale mici:
în ulei, prin convecție liberã;
 în hidrogen, prin conducție;
în aer, prin conducție;
în aer, prin convecție liberã.
Cum se controleazã sãptãmânal rezistența de izolație:
 cu ajutorul megohmetrului portabil, separând circuitele;
De la nivelul tabloului principal de distribuție (TPD) cu aparate dedicate;
 ne se controleazã;
Cu douã voltemetre, într-un montaj specific.
La pornirea directã a electromotoarelor asincronecu rotor în scurtcircuitcurentul absorbit de la rețea este :
 egal cu valoarea curentului nominal al electromotorului;
De 10-12 ori mai mare decât curentul nominal al electromotorului;
De 4-8 ori mai mare decât curentul nominal al electromotorului;
 de 1-2 ori mai mare decât curentul nominal al electromotorului.
 La pornirea stea-triunghi a electromotoarelor asincrone cu rotor în scurtcircuit, cuplul la arbore în cazul conexiunii stea fațã de cuplul în cazul conexiunii triunghi este:
 egal;
De 3 ori mai mare;
De 3 ori mai mic;
De 1-2 ori mai mic.
La pornirea stea-triunghi a electromotoarelor asincrone cu rotor în scurtcircuit, curentul absorbit în cazul conexiunii stea fațã de cazul conexiunii triunghi este:
De 3 ori mai mare;
Egal;
De 1-3 ori mai mic;
De 3 ori mai mic.
Sistemul de acționare electrohidraulic a mașinii cârmei de tip FRYDENBO folosește douã pompe pentru realizarea presiunii fluidului de lucru care lucreazã astfel:
Pompa nr. 1 asigurã regimul normal de lucru, iar pompa nr. 2 intrã în funcțiune pe durate scurte de timp când pompa nr. 1 lucreazã în suprasarcinã;
Cele 2 pompe lucreazã în paralel asigurând presiunea nominalã de lucru indiferent de sarcina la axul cârmei;
Când sistemul lucreazã în regim automat, pe autopilot, cu unghiuri mici de cârmã, presiunea necesarã de lucru este asiguratã de o singurã pompã; iar pompa nr. 2 nu funcționeazã;
Când sistemul de guvernare lucreazã în regim manual, cu unghiuri mari de cârmã, presiunea necesarã se asigurã prin funcționarea simultanã a celor douã pompe.

jos se prezintã o schemã de comandã, des utilizatã, pentru compresoare de aer și pompe care alimenteazã hidrofoare. Rolul presostatelor din blocul f este:
Asigurã semnalizarea nivelului minim și respectiv maxim, din butelia de aer sau hidrofor, atât în regim automat cât și în regim manual de funcționare;
în regim automat, dau comenzile de pornire și oprire a motorului asincron de acționare;
Stabilesc circuitele de pornire și oprire, a motorului electric, atunci când se acționeazã asupra butoanelor b2 și b3;
 asigurã protecția la minimã tensiune și respectiv la suprasarcinã a motorului electric de acționare.

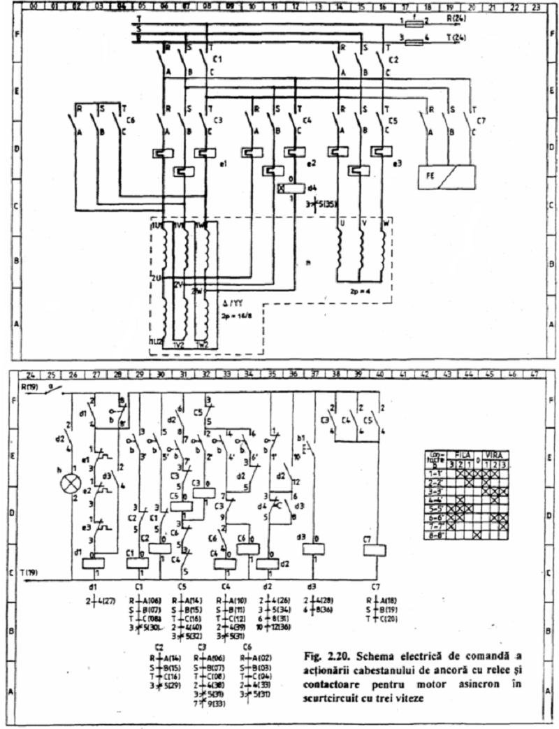
În figura de mai jos este prezentatã schema electricã de comandã a acționãrii cabestanului de ancorã cu relee și contactoare pentru motor asincron în scurtcircuit cu trei viteze. Lampa de semnalizare h este aprinsã și respectiv stinsã în urmãtoarele situații:
Când tensiunea rețelei este în limitele normale este aprinsã, iar când aceasta scade sub valoarea impusã se stinge;
Ste aprinsã când poziția controlerului corespunde cu viteza motorului și se stinge când acționeazã protecția la suprasarcinã;
Când este aprinsã indicã prezența tensiunii de alimentare, iar când se stinge indicã faptul cã schema a fost deconectatã de sub tensiune;
Este aprinsã pentru sensul „VIRA” și este stinsã pentru sensul „FILA”.

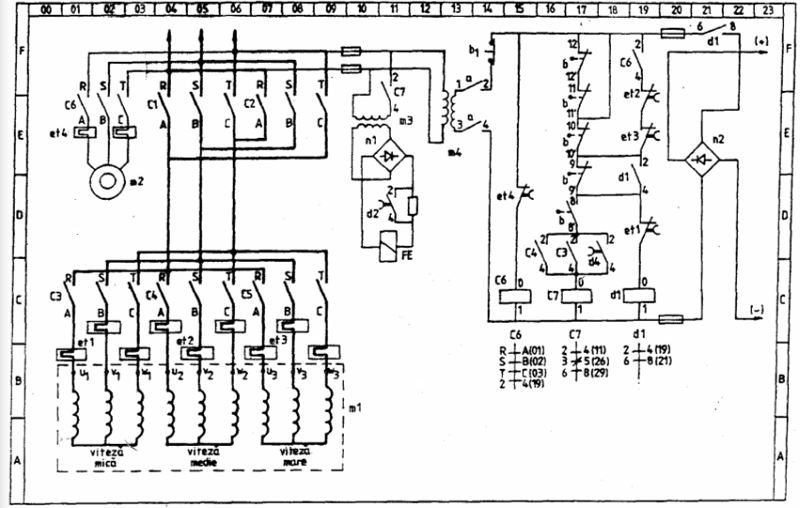
În figura de mai jos se prezintã circuitul de forțã din schema electricã de comandã cu relee și contactoare a viciului de încãrcat cu motor asincron în scurtcircuit cu trei viteze. Rolul contactoarelor C1, C2, C6 este:
C1 și C2 sunt contactoare de direcție, iar C6 asigurã unghiul de fixare a bigii;
C1 și C2 sunt contactoare de direcție, iar C6 este contactorul pentru cuplarea electroventilatorului;
C1 și C2 sunt contactoarele care asigurã rotirea bigii, iar C6 este contactorul pentru cuplarea electroventiltorului;
C1 și C2 sunt contactoare de direcție, iar C6 asigurã funcționarea în paralel a douã bigi.

Ce este reprezentat în figura de mai jos:
Diagrama de conexiuni a unui controler cu came;
Un controler tip „tobã”și conexiunile pe care le realizeazã;
Un controler cu came;
 un reostat.

Ce este reprezentat în figura de mai sus:
 un comutator pachet;
 circuitul de protecție a unui controler cu came;
Diagrama conexiunilor unui controler tip „tobã”;
Schema de principiu a unui comutator pachet și conexiunile pe care le realizeazã.
Instalația de telecomandã a motorului principal asigurã:
Lansarea motorului; reglarea turației; oprirea motorului; inversarea sensului de rotație al arborelui portelice; semnalizarea depãșirii parametrilor nominali; protecția în cazul apariției unor avarii
Supravegherea parametrilor pe timpul funcționãrii și oprirea în cazul apariției unor avarii; pornirea pompelor de rezervã pentru apa de rãcire și combustibil
Reglarea parametrilor funcție de regimul de lucru al motorului și oprirea ventilației la producerea unui incendiu în compartimentul mașini
Lansarea motorului, reglarea turației, oprirea motorului, inversarea sensului de marș, pornirea caldarinei pentru preîncãlzirea combustibilului.
Dispozitivul de comandã pneumo-electric PN-1 din instalația motorului ALCO realizeazã urmãtoarele funcții:
Comandã pornirea și oprirea motorului, realizeazã telecomanda reductorului inversor, asigurã semnalizarea în cazul funcționãrii protecției
Omandã reglarea turației motorului, blocheazã protecția și semnalizarea pentru regimul de suprasarcinã, valabil numai pentru mesul „înainte”; realizeazã telecomanda reductorului inversor, cu posibilitatea de blocaj pentru interzicerea mersului în alt sens decât cel comandat, interzice lansarea motorului cu reductorul cuplat
Realizeazã telecomanda reductorului inversor; asigurã pornirea instalației de preîncãlzire a combustibilului
Comandã pornirea și oprirea motorului; asigurã funcționarea protecției și semnalizãrii în cazul unor avarii sau la apariția suprasarcinii.
 Electromagnetul inclus în reguloatorul de turație al motorului ALCO este alimentat și acționeazã automat în una din situațiile:
Temperatura apei de rãcire a motorului principal a crescut pânã la valoarea maximã treapta II-a
Presiunea uleiului de ungere a motorului a scãzut sub limita minimã treapta I-a
Temperatura uleiului de ungere a lagãrului axial a ajuns la valoarea maximã
întreruperea funcționãrii exhaustorului de gaze din carterul motorului.
Instalația electricã de forțã a motorului ALCO conține urmãtoarele elemente:
 motorul electric de acționare a pompei de ungere, motor electric de acționare a pompei de ungere a reductorului; motor electric de acționare a pompei de apã pãentru rãcirea motorului.
 motor electric de acționare a pompei de preungere; motor electric de acționare a pompei de ungere a reductorului; rezistanța de încãlzire a uleiului;
 motor electric de acționare a pompei de preungere; motor electric de acționare a pompei auxiliare pentru ungerea reductorului; redresoare pentru alimentarea electroventilelor și a schemei de comandã de protecție și semnalizare;
Motor electric de acționare a pompei de combustibil; motor electric de acționare a pompei de preungere; motor electric de acționare a pompei auxiliare pentru ungerea reductorului; electroventilatoare exhaustoare din carterul motorului.
 Prin circuitele de protecție și semnalizare se urmãresc:
Valorile temperaturilor pentru: apa rãcire motor principal, ulei ungere motor principal, ulei reductor, ulei lagãr axial și valorile presiunilor pentru: ulei ungere motor principal, ulei comandã, ulei ungere reductor.
 valorile temperaturilor pentru apa de rãcire și uleiul de ungere la motorul principal, valorile presiunilor pentru uleiul de ungere reductor și motor principal; valorile temperaturii și presiunii gazelor de evacuare.
Valorile presiunilor și temperaturilor pentru uleiul de ungere și apa derãcire a motorului principal, presiunea uleiului de ungere a reductorului; compoziția gazelor de evacuare,
Valorile temperaturilor pentru apa de rãcire și uleiul de ungere s motorului principal; valorile presiunilor uleiului de ungere pentru motorul principal și reductor, valorile temperaturilor gazelor dee evacuare și supraturația motorului principal.
Se semnalizeazã optic și sonor în treapta I-a de pretecție atunci când apare una din avariile:
întreruperea funcționãrii exhaustoarelor de gaze din carterul motorului;
 temperatura apei de rãcire a motorului principal a crescut pânã la valoarea maximã treapta II-a;
Temperatura uleiului de ungere a motorului principal a crescut pânã la valoarea maximã treapta a I-a;
Presiunea uleiului de ungere a reductorului a scãzut pânã la valoarea minimã treapta a II-a.
Se semnalizeazã optic și sonor în treapta I-a de protecție atunci când apare una din avariile:
întreruperea funcționãrii electroventilatoarelor exhaustoare de gaze;
întrerupere alimentãrii cu combustibil a mootorului;
Presiunea uleiului de comandã a reductorului a scãzut pânã la valoarea minimã treapta I-a;
 tempertura apei de rãcire a motorului principal a crescut pânã la valoarea maximã treapta a II-a.
Se semnalizeazã optic și sonor în treapta I-a de protecție atunci când apare una din avariile:
 presiunea uleiului de ungere a scãzut la valoarea minimã treapta a II-a
Temperatura uleiului de ungere a motorului principal a crescut pânã la valoarea maximã treapta I-a;
Temperatura uleiului de ungere a lagãrului axial a ajuns la valoarea maximã admisã;
 temperatura apei de rãcire a motorului principal a crescut pânã la valoarea maximã treapta II-a.
Se semnalizeazã și se reduce automat turația motorului principal în urmãtoarea situație de avarie:
 temperatura uleiului de ungere a motorului principal a crescut pânã la valoarea maximã, treapta a II-a;
 presiunea uleiului de ungere a motorului principal a ajuns la valoarea maximã;
 temperatura uleiului de ungere a motorului principal a crescut pânã la valoarea maximã, treapta I-a;
Temperatura apei de rãcire a motorului principal a ajuns la valoarea maximã treapta a II-a.
Se semnalizeazã și se oprește automat motorul principal în urmãtoarea situație de avarie:
 temperatura uleiului de ungere a motorului principal a ajuns la valoarea maximã, treapta a II-a;
Temperatura apei de rãcire a motorului principal a crescut pânã la valoarea maximã treapta a II-a;
 temperatura uleiului de ungere a reductorului a crescut peste limita normalã;
Presiunea uleiului de ungere a reductorului a ajuns la valoarea minimã treapta a II-a.
 Alimentarea electrovalvulei S2 urmatã de oprirea motorului se face când apare una din situațiile:
întreruperea funcționãrii exhaustorului de gaze;
Temperatura uleiului de ungere a motorului a ajuns la limita maximã treapta a II-a;
Temperatura apei de rãcire a motorului a ajuns la limita maximã treapta a II-a;
Presiunea uleiului de ungere a reductorului a ajuns la valoarea minimã treapta a I-a.
 Întreruperea alimentãrii electrovalvulei S3 urmatã de trecerea motorului la turația de ralanti se face în una din urmãtoarele situații:
 presiunea de ungere a motorului a scãzut la limita minimã treapta a I-a;
Temperatura apei de rãcire a motorului a ajuns la limita maximã treapta a II-a;
 temperatura uleiului de ungere a motorului principal a crescut pânã la valoarea maximã treapta a I-a;
Temperatura uleiului de ungere a motorului principal a crescut pânã la valoarea maximã treapta a III-a.
La pregãtirea pentru lansare, prin apãsarea pe butonul b3 se realizeazã
Se alimenteazã schema electricã de protecție și semnalizare;
Se alimenteazã demarorul de aer pneumatic care rotește motorul pentru pornire
Sunt puse în funcțiune pompele de preungere și electroventilatoarele exhaustoare de gaze;
 se alimenteazã schema electricã de protecție.
 Lansarea motorului prin apãsarea pe butonul b1 constã în:
 pornirea pompei de preungere și alimentarea cu combustibil;
Alimentarea cu aer a instalației de lansare și pornirea pompei de combustibil;
Alimentarea lãmpii de semnalizare „comanda posibilã”;
Alimentarea cu aer a demarorului care rotește motorul pentru pornire și blocarea protecției.
Cuplarea reductorului pentru mersul înainte se face prin împingerea manetei PN-1 pe poziția „Atenție Cuplare”. Corespunzãtor acestei poziții schema electricã executã:
 alimentarea cilindrului de forțã care executã cuplarea reductorului pentru mersul „înainte” și deschiderea unui circuit de aer care permite o ușoarã accelerare;
Alimentarea cilindrului de forțã care executã cuplarea reductorului pentru mersul „înainte” și blocarea protecției;
 întreruperea demarorului și aprinderea lãmpii de semnalizare „Reductor cuplat”;
Pornirea electrovalvulelor exhaustoare de gaze.
În funcționare, accelerarea și decelerarea motorului se face prin:
 reglarea debitului pompei de alimentare cu combustibil;
Reglarea presiunii aerului de comandã a regulatorului de turație;
 reglarea debitului de combustibil și a presiunii uleiului de ungere;
Reglarea consumului de combustibil și a debitului de aer.
Pentru oprire se apasã pe butonul b2 și schema electricã executã:
întreruperea funcționãrii pompei de combustibil;
 întreruperea alimentãrii cu combustibil și aer a motorului principal;
Alimenteazã electromagnetul de aducere a cremalierei pompelor de injecție în poziția de debit nul și motorul se oprește. Blocheazã semnalizarea schemei de protecție;
Se întrerupe alimentarea schemei electrice de comandã.
 La scãderea presiunii uleiului de ungere a motorului principal pânã la limita minimã treapta a I-a, schema de protecție executã:
Semnalizarea acusticã și opticã;
 reducerea automatã a turației pânã la valoarea corespunzãtoare mersului la ralanti;
Mãrirea presiunii pompei de ungere;
Oprirea motorului.
La scãderea presiunii de ungere a motorului pânã la valoarea minimã treapta a II-a, schema de protecție executã:
Semnalizarea acusticã, opticã și decuplarea reductorului;
 semnalizarea acusticã, opticã și reducerea turației pânã la valoarea de ralanti;
Mãrirea debitului de ungere;
Semnalizarea acusticã, opticã și oprirea motorului.
Arzãtorul caldarinei asigurã:
 pulverizarea combustibilului, debitul de aer necesar arderii, inițierea aprinderii și controlul flacãrei;
Pulverizarea combustibilului, inițierea aprinderii și protecția la presiune maximã;
Pulverizarea combustibilului, aprinderea și reglarea turației electroventilatorului;
Protecția caldarinei.
{"name":"Instalatii electrice de bord", "url":"https://www.quiz-maker.com/QPREVIEW","txt":"Majoritatea motoarelor electrice de acționare a mecanismelor navale sunt de tipul:, Rețelele electrice navale sunt de tipul:, Care dintreurmãtorii consumatori este considerat neesențial:","img":"https://www.quiz-maker.com/3012/CDN/90-4403286/imagine-20.png?sz=1200"}
More Quizzes
Www.adbook.in quiz
100
MOM GET DA CAMERA
420
Burlington English Level Test
3224
Prova M4 - Tipo Normal 1
10524
I Am a Hard Worker: Find Out How Diligent You Are
201023864
Which Kreature from Harry Potter Are You? Take Our
201025083
Free Financial Planning and Forecasting
201020822
Free Number Patterns
201020957
Think You Know Alessandra Olivia Toreson? Prove It Now!
201026721
Free Bengali General Knowledge
201025988
Free Cell Homeostasis Virtual Lab Answer Key
201020957
What Learning Style Am I? Take the Free to Find Out
201025988